00-1018

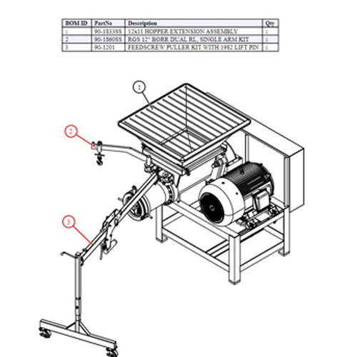
Accessories

00-1013 Grinder Explode

CUTTING PARTS

Table Drive Explode

Table-Drive Explode

Feedscrew

Hopper Explode